Megjelent a fémek szakítóvizsgálatának szabványa magyar nyelven

Az MSZT 2024. január 1-jén tette közzé az MSZ EN ISO 6892-1:2020 Fémek. Szakítóvizsgálat. 1. rész: Vizsgálati módszer szobahőmérsékleten (ISO 6892-1:2019) magyar nyelvű változatát. A szakítóvizsgálat a különböző fémtermékek megfelelőségének értékelése és igazolása során elterjedten alkalmazott módszer, amelynek magyar nyelvű kiadása a szakítóvizsgálatok elvégzését és az akkreditálást is elősegíti.

Az MSZ EN ISO 6892-1:2020 szerinti szakítóvizsgálat egyértelműbbé és könnyeben alkalmazhatóvá vált a következő változásoknak köszönhetően.

Az MSZ EN ISO 6892-1 korábbi kiadása bevezette a vizsgálati sebesség alakváltozási sebesség alapján való beállítását, valamint azt, hogy a vizsgálati sebesség szabályozására a nyúlásmérő jelét, azaz a próbadarab tényleges alakváltozását is felhasználják. Ez az A módszer, amelynek célja a vizsgálati sebességek ingadozásának és a vizsgálati eredmények mérési bizonytalanságának minimalizálása az alakváltozási sebességre érzékeny jellemzők meghatározása során. Emiatt, és mert az anyagok alakváltozási sebességre való érzékenysége rendszerint nem ismert, az A módszer alkalmazása erősen ajánlott. Az A módszer megvalósítható a nyúlásmérő jelével zárt hatásláncban, valamint az előírt tűréshatárnak megfelelő keresztfejsebességgel (nyitott hatáslánc). Az egyértelműség érdekében az A módszer két típusát az új kiadás megkülönbözteti, a nyúlásmérőn alapuló, zárt hatásláncú módszer jele A1, míg a keresztfej-elmozduláson alapuló nyitott hatásláncú módszeré A2.

Továbbra is alkalmazható a korábban kizárólagos terhelési sebességen alapuló B módszer, amelynek végrehajtása és alkalmazhatósága nem változott, de a leírása egyértelműbbé és érthetőbbé vált.

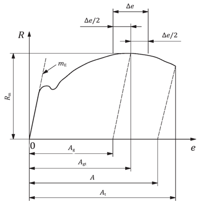
Az MSZ EN ISO 6892-1 második kiadása kiegészült a Young-modulus szakítóvizsgálattal való meghatározásának részletes leírását tartalmazó G melléklettel. A G melléklet előírás, de a szokásos szakítóvizsgálatok során nem kell alkalmazni. A szakítóvizsgálati jellemzők meghatározásához teljesen elegendő a feszültség-alakváltozás görbe mE kezdeti meredekségének meghatározása. A szükséges mérőeszközök és vizsgálati paraméterek miatt a Young-modulust a G melléklet szerint külön vizsgálattal határozzák meg.

Az MSZ EN ISO 6892-1:2020 magyar nyelvű változata kedvező a szakítóvizsgálatot végző szervezetek számára, azonban szükségesek a következő szabványok is, amelyek magyar nyelvű változatának kidolgozása érdekében forduljanak az MSZT-hez:

MSZ EN ISO 7500-1:2018 Fémek. Egytengelyű statikus vizsgálógépek kalibrálása és ellenőrzése. 1. rész: Húzó és nyomó vizsgálógépek. Az erőmérő rendszer kalibrálása és ellenőrzése

MSZ EN ISO 9513:2013 Fémek. Egytengelyű vizsgálathoz alkalmazott nyúlásmérők kalibrálása

 

Szabó József

2024. január

Kapcsolat

Szabó József​

Kapcsolódó bizottságok

MSZT/MCS 409 Fémek mechanikai vizsgálata

ISO/TC 164 Fémek mechanikai vizsgálata

CEN/TC 459/SC 1 Acélok (nem vegyvizsgálati) vizsgálati módszerei

Szabványértékesítés

Vásároljon szabványt vagy szabvány jellegű dokumentumot!

Hírlevél

Iratkozzon fel hírlevelünkre és értesüljön elsőként legfontosabb híreinkről, eseményeinkről!